Maori
|
Tau tauira |
SG - DTM06U (C, M) 2 - X |
SG - DTM06U (C, M) 2 - TX |
SG - DTM03U (C, M) 2 - X |
SG - DTM03U (C, M) 2 - TX |
SG - DTM02U (C) 2 - X |
SG - DTM02U (C) 2 - TX |
|
Te kōwae thermal |
||||||
|
Pūoko whakaahua |
Vox Microblometer Vox |
|||||
|
Te Whakawhitinga Pixel |
12μm |
|||||
|
Ko te Whutupaoro Whakautu |
8μm ki te 14μm |
|||||
|
Max. Taumira |
640 × 512 |
384 × 228 |
256 × 192 |
|||
|
Rarangi Whakatau (FPS) |
50 |
25 |
50 |
25 |
50 |
25 |
|
Arotahi (roa te roa) |
9.1 / 13/19 / 25mm |
9.1 / 13mm |
4 / 7/1mm |
|||
|
F nama |
F1.0 / F1.0 / F1.1 / F1.2 |
F1.0 |
F1.0 |
|||
|
Mara o te tirohanga (H × V) |
45.9 ° × 36.9 ° / 32.9 ° × 26.6 ° / 22.6 ° × 18.2 ° / 17.3 ° × 13.8 ° |
28.7 ° × 21.7 ° / 20.1 ° × 15.1 ° |
46.8 ° × 34.1 ° / 24.6 ° × 18.5 ° / 16.9 ° × 12.8 ° |
|||
|
Te whakamahinga o te whakamatautau |
N / a |
Tautoko |
N / a |
Tautoko |
N / a |
Tautoko |
|
Te inenga pāmahana |
||||||
|
Rangi pāmahana |
Aratau LT: 20 ° C ~ + 150 ° C; Aratau HT: 0 ° C ~ + 550 ° C |
|||||
|
Ko te hapa inenga |
Max (± 2 ° C, ± 2%); Temp: - 20 ° C ~ + 50 ° C |
|||||
|
Whakaatu Whakaahua |
||||||
|
Whakatikatika Whakaahua |
He maama, he rereke, he koi |
|||||
|
Whakarei ake te taipitopito |
Tautoko |
|||||
|
Whiwhinga |
Auto / ā-ringa |
|||||
|
Te whakaheke haruru |
2D / 3d |
|||||
|
Kōwiri |
Tautoko |
|||||
|
Whakaata |
Tautoko |
|||||
|
Pseudo - Tae |
18 Palettes o te tae ka taea te whakarite |
|||||
|
Reta tiri |
Whakaatu / ngaro / huna |
|||||
|
Te tukatuka o te whakaahua |
Te Whakatikatika Nuc, Te Tiriti Haruru Mamati, DDE |
|||||
|
Ataata |
||||||
|
Putanga Ataata |
UVC / BT.656 / Mipi / LVDS / CVBS |
UVC / CVB |
||||
|
Atanga Whakanui |
USB / Mipi / CVBS / Momo - c |
USB / CVBS / Momo - c |
||||
|
Whakawhitiwhiti korero rangatū |
Tauranga rangatū mourt |
|||||
|
Tianara |
||||||
|
Kaha |
DC 4.5 ~ 5.5v; CVBS: DC 4.5-20v |
|||||
|
Te kohi kaha |
≤0.7W@25°c |
≤0.7W@25°c |
≤0.55W@25°c |
|||
|
Te pāmahana mahi |
- 40 ° C ~ 70 ° C |
|||||
|
Te pāmahana rokiroki |
- 40 ° C ~ 80 ° C |
|||||
|
Te mahi makuku |
≤95% RH (Non - Condensing) |
|||||
|
Whitinga |
6.06g tupurangi, 3 - toki, wiri te ngaru |
|||||
|
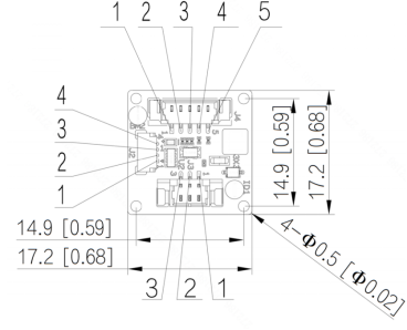
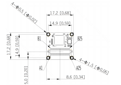
Korahi |
17.3mm * 17.3mm * 10.8mm (kaore he putea pereti mo te papa perehana) |
|||||
|
Taumaha |
5G (kaore he putea perehana mokamoka mokamoka) |
|||||




Waiho to korero

